Beschreibung
– Abverkauf zum Sonderpreis –
Analoge Präzisionsmessuhr in robuster Bauweise. Eignet sich perfekt für präzise Messungen wie z.B. Abstands- und Rundlaufmessungen.
- Ablesung: 0,01 mm
- Gehäusedurchmesser: 58mm
- Metallgehäuse mit drehbarem Ziffernblatt
- leicht abzulesendes gelbes Ziffernblatt
- steingelagert
- Schaftdurchmesser: 8h6
- inkl. Garantieschein, Bedienungsanleitung
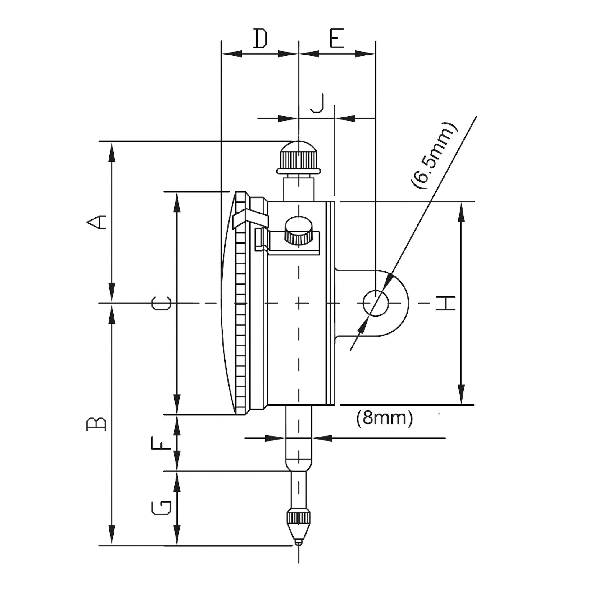
| Messbereich (mm) | A (mm) | B (mm) | C (mm) | D (mm) | E (mm) | F (mm) | G (mm) | H (mm) | J (mm) |
| 3 / 5 | 43,7 | 68,5 | 58 | 16,3 | 19 | 18,3 | 15 | 53,5 | 8,1 |
| 10 | 43,7 | 68,5 | 58 | 16,3 | 19 | 18,3 | 15 | 53,5 | 8,1 |
| 25 | 37,5 | 80,5 | 58 | 16,3 | 19,4 | 17,5 | 34 | 53,5 | 8,4 |
Zahlung
PayPal, Vorkasse, Kreditkarte. Zahlung auf Rechnung für Geschäftskunden möglich nach Anmeldung über B2B-Formular (Konto > B2B-Registrierung).
Versand
Für Bestellungen bis 12 Uhr erfolgt der Versand am selben Tag. So erhalten Sie Ihre Ware in der Regel am nächsten Werktag. Express-Versand möglich für garantierte Lieferung am nächsten Werktag. Ausgenommen sind Lieferungen per Spedition.
Infos zur Bestellung
Sie haben Fragen zum Produkt oder benötigen ein schriftliches Angebot? Oder möchten lieber telefonisch oder per E-Mail bestellen? Kontaktieren Sie uns unter +49 7940 9836622 oder kontakt@asimeto.de.



